Guten Morgen KLX Gemeinde
Habe einen R Motor in meine C gebaut,nun stellt sich mir die Frage wie ich den an den c Kabelbaum anschließe
Über Antworten würde ich mich freuen....
Grüße aus dem Ruhrgebiet Mathes
R Motor in C Rahmen
-
lange-koeln
- Beiträge: 277
- Registriert: So 17. Mai 2020, 19:39
Re: R Motor in C Rahmen
Elektrischer Unterschied ist doch denke ich nur, dass der R-Motor keinen E-Starter hat. Würde vermuten, dass sonst alles gleich sein müsste?
- schrauber21
- Beiträge: 92
- Registriert: So 6. Dez 2020, 17:56
Re: R Motor in C Rahmen
so einfach ist das nicht,da brauchst Du den passenden Kabelbaum eine andere CDI usw. .
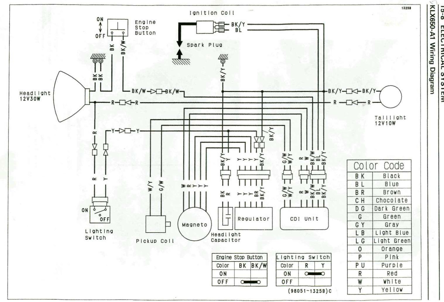
CDI KLX 650C ... CDI KLX650R ...
CDI KLX 650C ... CDI KLX650R ...
- schrauber21
- Beiträge: 92
- Registriert: So 6. Dez 2020, 17:56
Re: R Motor in C Rahmen
hier sind noch die Kabelbäume zum vergleichen.
An dem R-Kabelbaum sind so viele Strippen wie bei einem Mofa ...
und der C-Kabelbaum
An dem R-Kabelbaum sind so viele Strippen wie bei einem Mofa ...
und der C-Kabelbaum
Re: R Motor in C Rahmen
Danke für die Info,CDiI ist vorhanden ein paar Strippen wo der Motor Mal mit Probe lief auch.Dachte gibt nen Königsweg für die Sache.....Also selbst ein Stricken....
Re: R Motor in C Rahmen
So wie ich das grob sehe musst du nur probieren ob der Zündimpulsgeber im R-Motor mit deiner CDI aus der C harmoniert, d.h. ob die Werte identisch sind.
Was ist sonst noch vorhanden?
- Lichtmaschine mit 5 Kabeln dürfte identisch sein
- Anlasser fällt weg, also dickes Pluskabel am Starterrelais abschrauben
- Neutralschalter hat die R so wie ich das lese auch nicht, brauchst du für TÜV m.W. auch nicht - musst ihn aber evtl überbrücken (s.u.)
- Masseleitung zwischen Motor und Rahmen ist ja klar.
Alles andere, vom Bremslicht bis zur Zündspule und vom Blinker bis zum Seitenständerschalter kannst du ja behalten.
Ich denke die CDIs sind bei R und C unterschiedlich weil bei der C die Sicherheitseinrichtungen wie Seitenständer- und Neutralschalter damit verknüpft sind und du wirst hoffentlich den Seitenständerschalter behalten (ich bezweifle das du wegen sowas den Adler machen willst, nicht nach der Umbauarbeit
)
Ich würde einfach mal probieren den Impulsgeber an die Original-C- CDI anzuschließen - vorausgesetzt das die Position im Motorgehäuse identisch ist (Der Impuls sollte bei beiden an derselben Kurbelwellenposition erzeugt werden - das kann ich aus dem Schaltplan nicht rauslesen) Da es sich nur um einen schwachen Magnetimpuls handelt kannst du damit nichts "abschießen". Evtl. musst du aber den fehlenden Neutralschalter überbrücken damit die CDI weiß das du im Leerlauf bist
Viele Grüße
Thorsten
Was ist sonst noch vorhanden?
- Lichtmaschine mit 5 Kabeln dürfte identisch sein
- Anlasser fällt weg, also dickes Pluskabel am Starterrelais abschrauben
- Neutralschalter hat die R so wie ich das lese auch nicht, brauchst du für TÜV m.W. auch nicht - musst ihn aber evtl überbrücken (s.u.)
- Masseleitung zwischen Motor und Rahmen ist ja klar.
Alles andere, vom Bremslicht bis zur Zündspule und vom Blinker bis zum Seitenständerschalter kannst du ja behalten.
Ich denke die CDIs sind bei R und C unterschiedlich weil bei der C die Sicherheitseinrichtungen wie Seitenständer- und Neutralschalter damit verknüpft sind und du wirst hoffentlich den Seitenständerschalter behalten (ich bezweifle das du wegen sowas den Adler machen willst, nicht nach der Umbauarbeit
Ich würde einfach mal probieren den Impulsgeber an die Original-C- CDI anzuschließen - vorausgesetzt das die Position im Motorgehäuse identisch ist (Der Impuls sollte bei beiden an derselben Kurbelwellenposition erzeugt werden - das kann ich aus dem Schaltplan nicht rauslesen) Da es sich nur um einen schwachen Magnetimpuls handelt kannst du damit nichts "abschießen". Evtl. musst du aber den fehlenden Neutralschalter überbrücken damit die CDI weiß das du im Leerlauf bist
Viele Grüße
Thorsten
Thorsten Schulz
Kawasaki seit 1983
Kawasaki seit 1983